House windows elevations and joinery cad drawing details dwg file
Description
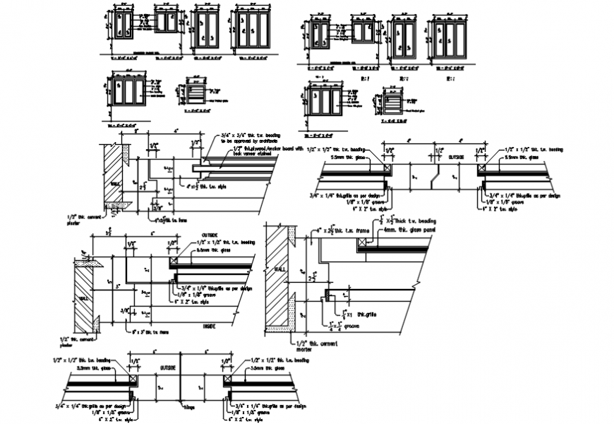
House windows elevations and joinery cad drawing details that includes a detailed view of window elevation, welded plate for grappling the clamp, double swing handle (with placement accessories) with reinforcement rib and expanded metal and ceramic block details, ceramic with block, lintel 2 irons with wood cap and frame and much more of window installation details.
File Type:
DWG
File Size:
265 KB
Category::
Dwg Cad Blocks
Sub Category::
Windows And Doors Dwg Blocks
type:
Gold
Uploaded by:
Eiz
Luna

