Furniture detail of twin house drawing cad file
Description
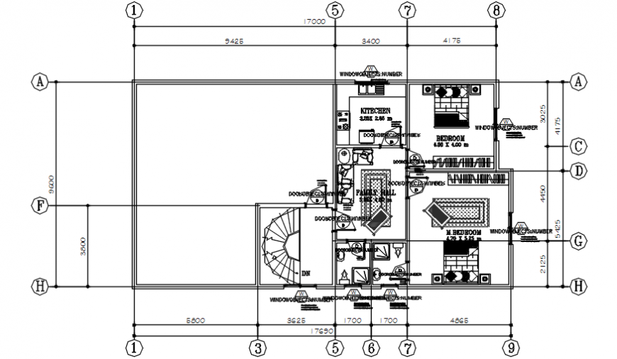
Find here layout plan includes 2 bed rooms, family hall, kitchen, staircase detail and structure plan with dimension detail in autocad software.
Uploaded by:
Eiz
Luna
Find here layout plan includes 2 bed rooms, family hall, kitchen, staircase detail and structure plan with dimension detail in autocad software.
Uploaded by:
Luna