2 d cad drawing of media tension substation auto cad software
Description
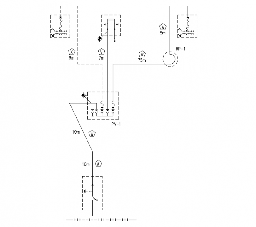
2d cad drawing of media tension substation autocad software tht shows the detailing of the media sustation been given in the drawing.
File Type:
DWG
File Size:
82 KB
Category::
Electrical
Sub Category::
Electrical Automation Systems
type:
Gold
Uploaded by:
Eiz
Luna

