CAD plan of housing apartment 2d view details in autocad file
Description
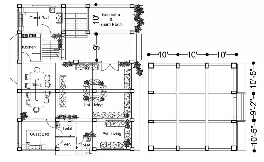
CAD plan of housing apartment 2d view details in autocad file that shows a work plan of building along with furniture layout detials in building and dimension dteials. Room details of drawings room living room bedroom and sanitary toilet bathroom area details also included in drawings.
Uploaded by:
Eiz
Luna

