Column installation structure installation plan dwg autocad file
Description
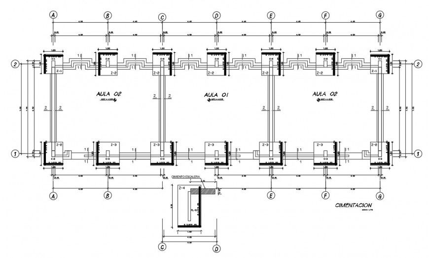
Column installation structure installation plan dwg autocad file that shows reinforcement details in tension and compression zone along with main and distribution hook up and bent up bars details. The structure is a reinforced concrete cement (RCC) structure.
Uploaded by:
Eiz
Luna

