Foundation plan structure drawing details of house floor dwg file
Description
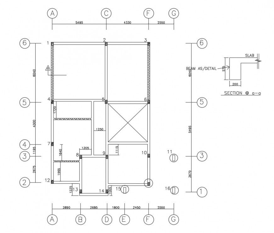
Foundation plan structure drawing details of house floor here you cad found a free auto-cad file with the foundation with side typical shoe & typical central shoe with columns and foundations shoes, cistern tank and walls of concrete arm beams flat and pearled beams with foundation beams and typical detail of reinforcement and ended of walls of masonry, detail of cistern and cure the concrete and much more of structure details.
Uploaded by:
Eiz
Luna

