Gambar wiring genset electric automation and diagram details dwg file
Description
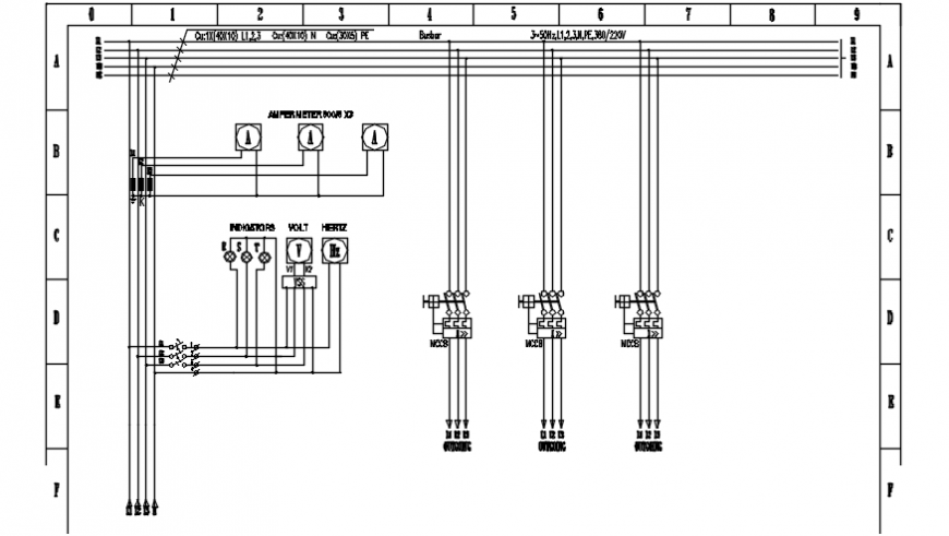
Gambar wiring genset electric automation and diagram details that includes a detailed view of free download file of power layout details and lighting layout details, computation and schedule of loads with general notes and specifications, panel board details, riser diagram with legends and electric equipment details, cable details and dimensions details and much more of electrical installation details.
File Type:
DWG
File Size:
268 KB
Category::
Electrical
Sub Category::
Electrical Automation Systems
type:
Gold
Uploaded by:
Eiz
Luna

