LOGIN
HOME
CATEGORIES
UPLOAD FILE
PRICING
HOUSE PLAN
ABOUT US
CONTACT US
Structure Detail
Home
Categories
Structure
Beam And Lintel
Structure Detail
Uploaded by:
Harriet
Burrows
View Profile
View Profile
Description
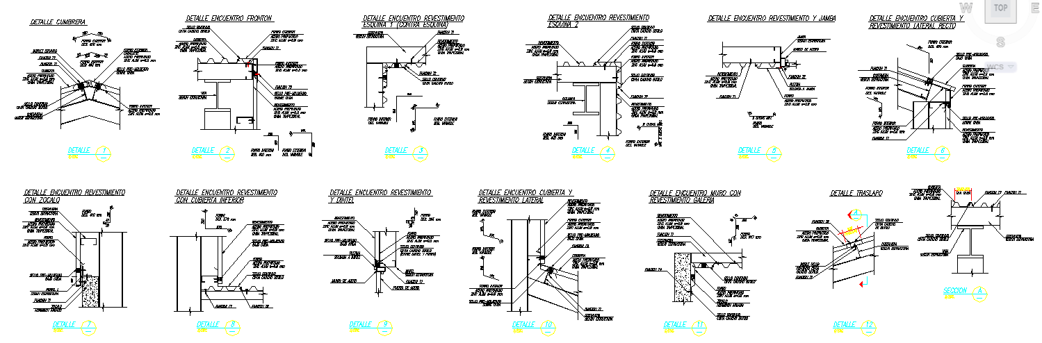
This Structure Design Draw in autocad format. Structure Detail Download file, Structure Detail Design, Structure Detail DWG File
File Type:
DWG
File Size:
333 KB
Category::
Structure
Sub Category::
Beam And Lintel
type:
Free
Uploaded by:
Harriet
Burrows
View Profile
Download
Add to libary
find Latest
Related
Files