2d CAD drawings details of bridge structural units blocks dwg autocad file
Description
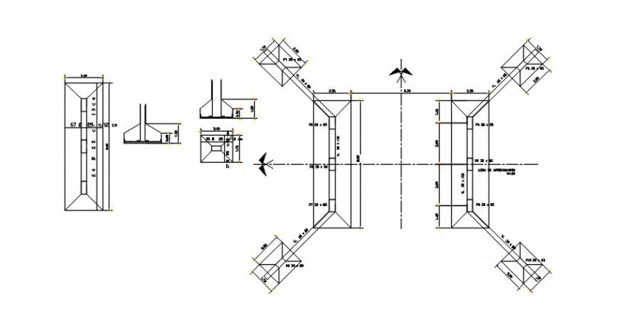
2d CAD drawings details of bridge structural units blocks dwg autocad file that shows details of the brudge structure along with bridge span details and retaining wall structure details. Section line and sectional details of the bridge along with footing pier details also included in drawings.
Uploaded by:
Eiz
Luna

