CAD blocks detailing of sanitary units 2d view dwg file
Description
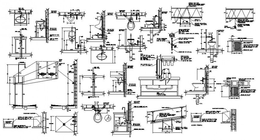
CAD blocks detailing of sanitary units 2d view dwg file that shows water closet and washbasin units dteials along with sanitary blocks different sides of elevation detials along with dimension dteials. Tap faucets details with plumbing blocks detailing also included in drawings.
File Type:
DWG
File Size:
457 KB
Category::
Dwg Cad Blocks
Sub Category::
Sanitary CAD Blocks And Model
type:
Gold
Uploaded by:
Eiz
Luna

