Circuit diagram of house electrical installing in AutoCAD file
Description
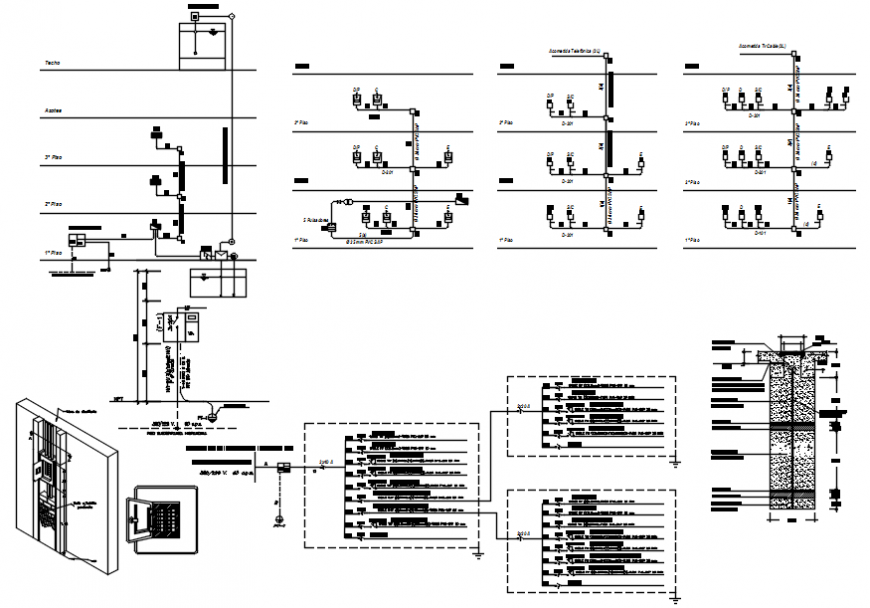
Circuit diagram of house electrical installing in AutoCAD file its include detail of circuit diagram of floor and electrical symbol with single line of circuit of electrical installation and its controlling system and necessary detail.
Uploaded by:
Eiz
Luna

