Drawings of house layout floor plan in autocad software file
Description
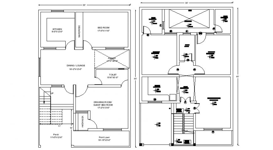
Drawings of house layout floor plan in autocad software file that shows house floor plan drawings details with room details of drawings room area kitchen and dining area details bedroom details with sanitary toilet and bathroom details. Floor level details and staircase details are also shown in drawings.
Uploaded by:
Eiz
Luna

