Sewage drainage tank drawings 2d view autocad file
Description
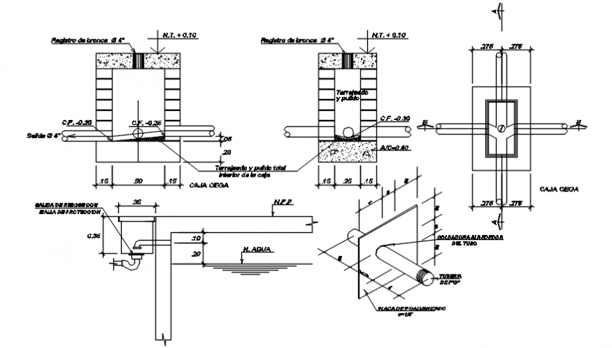
Sewage drainage tank drawings 2d view autocad file that shows concrete masonry sewage tank with drainage pipe system and dimension details with manhole construction details also shown in drawings.
File Type:
DWG
File Size:
1.5 MB
Category::
Dwg Cad Blocks
Sub Category::
Sanitary CAD Blocks And Model
type:
Gold
Uploaded by:
Eiz
Luna

