New house section, layout plan and floor plan cad drawing details dwg file
Description
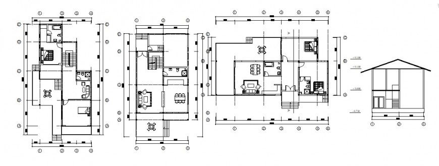
New house section, layout plan and floor plan cad drawing details that includes a detailed view of free download auto-cad file with flooring view, doors and windows view, staircase sectional details, balcony view, wall sections and dimensions details with main entry house door, drawing room and living room, family hall with details kitchen and dining area, indoor staircases and laundry area and balcony, details and bedroom or master bedroom, toilets and bathroom with indoor doors, furniture details and much more of house project.
Uploaded by:
Eiz
Luna

