Door plan and sectional CAD drawings autocad software file
Description
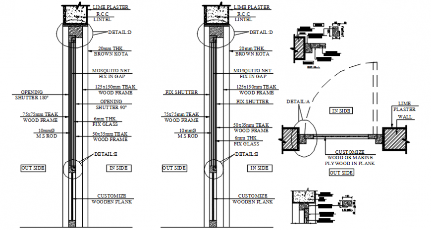
Door plan and sectional CAD drawings autocad sofwrare file that includes door plan details with wooden planks details and door sectional details along with lintel details also shown in drawings.
File Type:
DWG
File Size:
288 KB
Category::
Dwg Cad Blocks
Sub Category::
Windows And Doors Dwg Blocks
type:
Gold
Uploaded by:
Eiz
Luna
