2d CAD drawings of house floor layout plan autocad file
Description
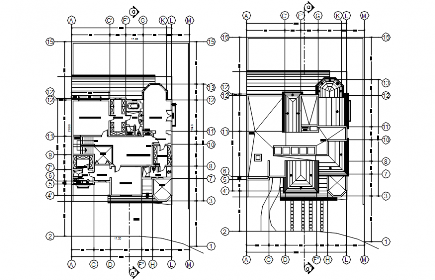
2d CAD drawings of house floor layout plan autocad file that shows House floor plan drawings details with dimension hidden line details along with furniture layout details and parking space compound wall and entrance gate details. landscaping details and room details of bedroom drawings room kitchen dining area and sanitary toilet bathroom details also shown in drawings.
Uploaded by:
Eiz
Luna

