Electrical installation floor plan of office in auto cad software
Description
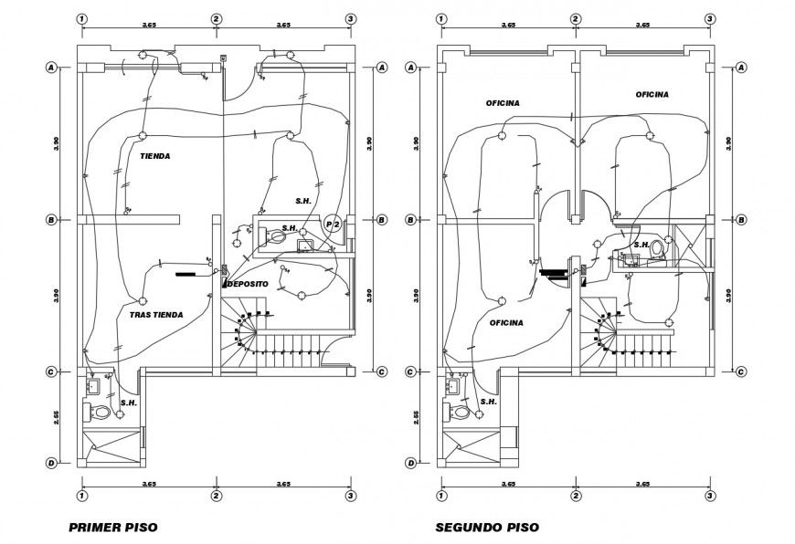
Electrical installation floor plan of office in auto cad software it’s include detail of area distribution wall and office area and single electric line with electric point and joint of electrical view in plan.

Uploaded by:
Eiz
Luna

