Foundation footing plan and various other RCC structural details in autocad
Description
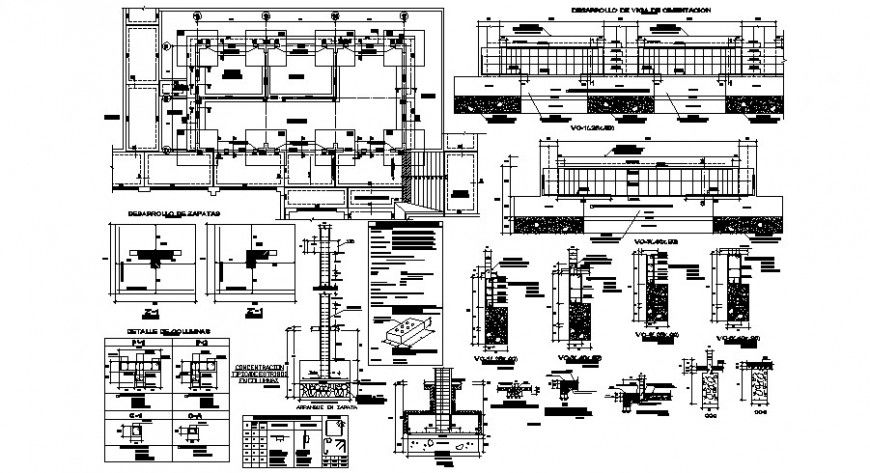
Foundation footing plan and various other RCC strucctural details in autocad that shows foundation footing plan details with concrete masonry details and reinforcement details in tension and compression zone details. Specification details and the structure is a reinforced concrete cement (RCC) structure.
File Type:
DWG
File Size:
366 KB
Category::
Construction
Sub Category::
Reinforced Cement Concrete Details
type:
Gold
Uploaded by:
Eiz
Luna

