Factory Work Plant Detail
Description
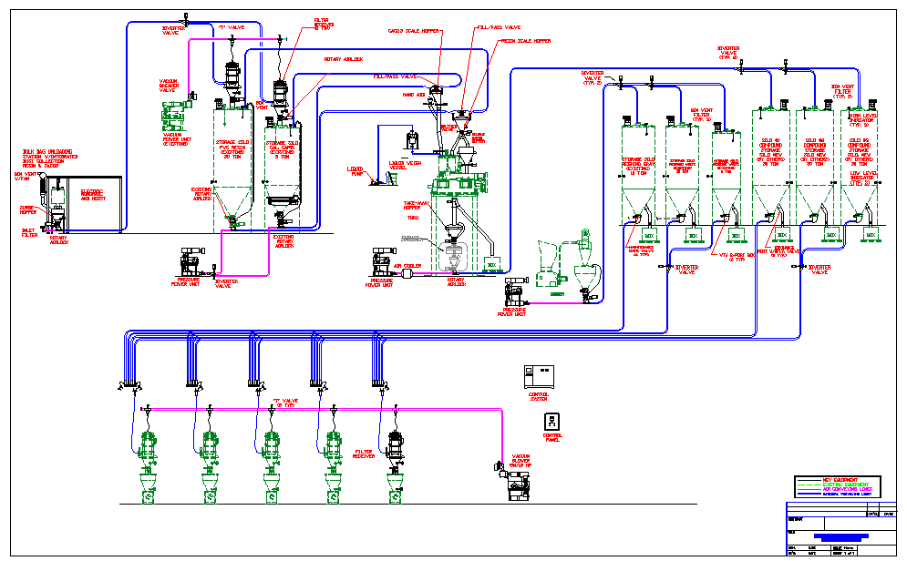
Factory Work Plant Detail Download file. Factories arose with the introduction of machinery during the Industrial Revolution when the capital and space requirements became too great for cottage industry or workshops. Factory Work Plant Detail DWG file.
Uploaded by:
saru
mathi
