Installation unit and construction detail plan detail
Description
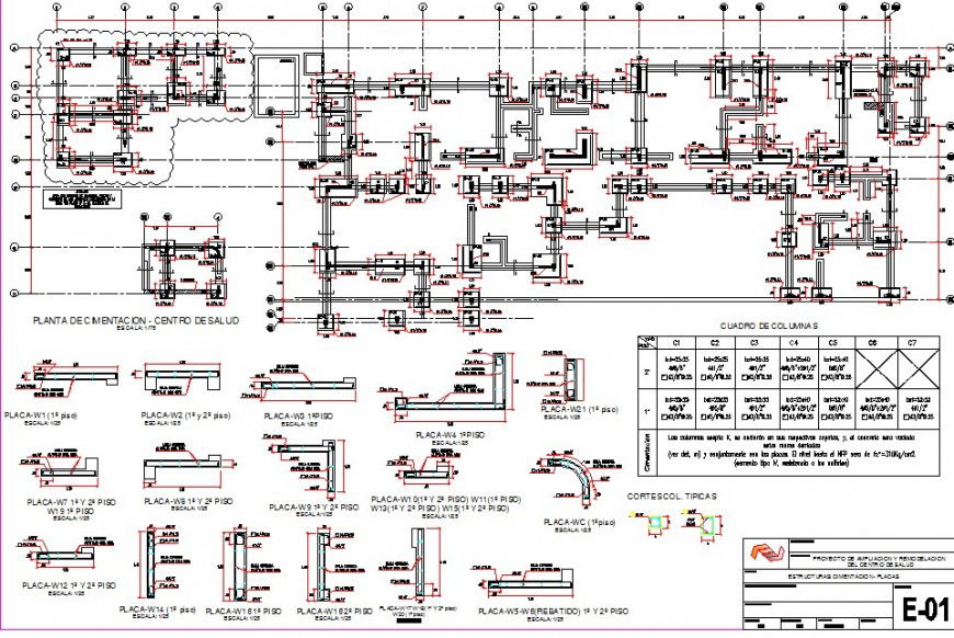
Installation unit and construction detail plan detail showing the construction of column and installation of building structure. complete top view plan of building construction is shown
Uploaded by:
Eiz
Luna

