House Plan Autocad Drawing Download
Description
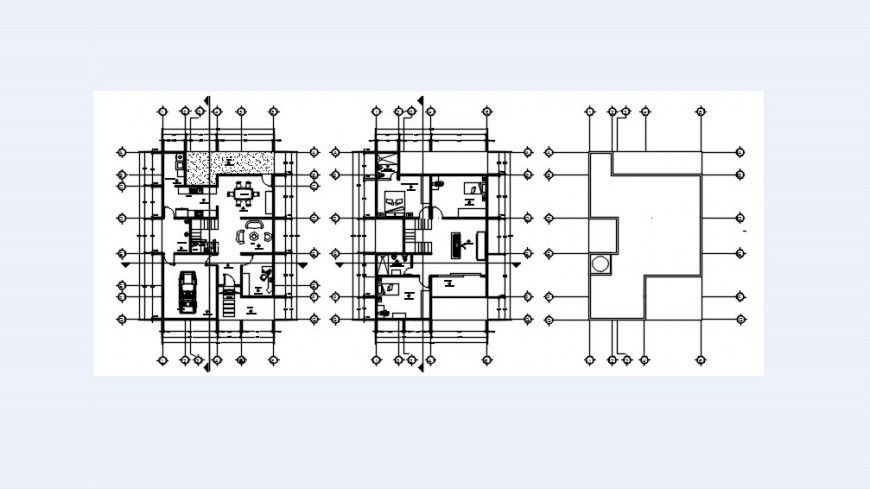
House Plan Autocad Drawing Download which includes detail of garden main entrance with door and bedroom kitchen and washing area hall and wall in the plan of housing area file.
Uploaded by:
Eiz
Luna
House Plan Autocad Drawing Download which includes detail of garden main entrance with door and bedroom kitchen and washing area hall and wall in the plan of housing area file.
Uploaded by:
Luna