Different size column plan with construction view in AutoCAD software
Description
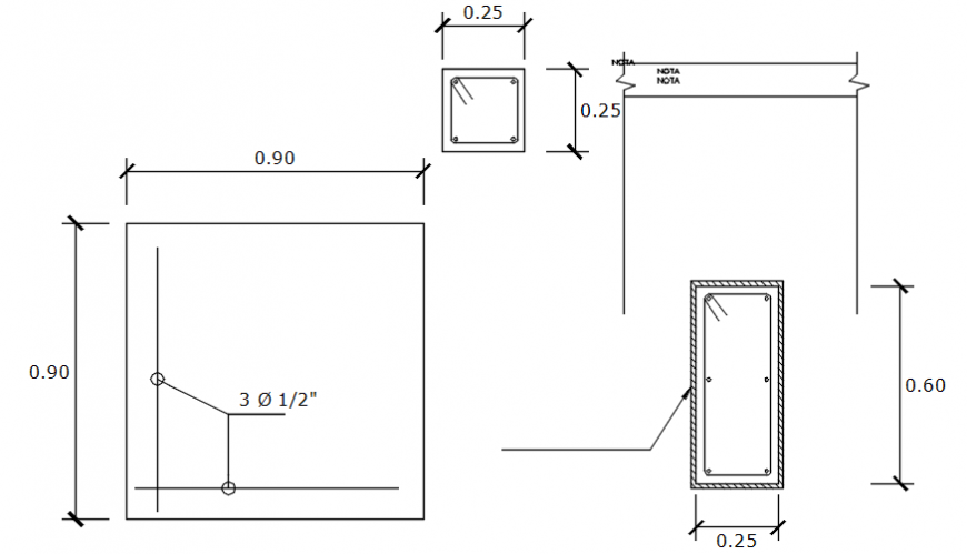
Different size column plan with construction view in AutoCAD software its include plan of different column plan include its width and position of sectional detail and important dimension.
Uploaded by:
Eiz
Luna

