Projects
Details of foundation to slab with ribs - terrace
MORE DETAILS
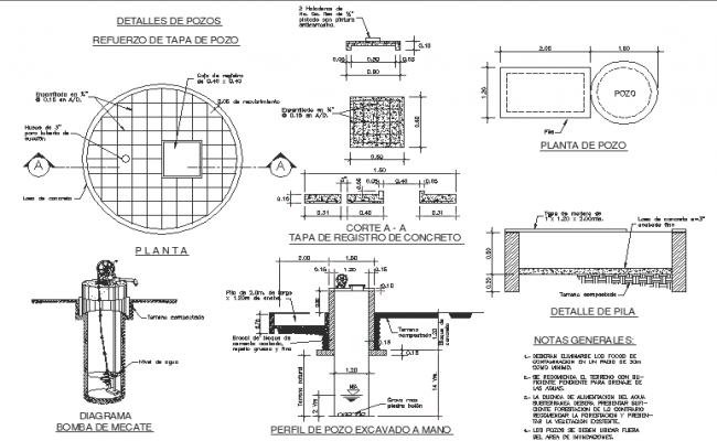
Portable water well
Handrail
Lighting detail
Doors details
Septic tank
El redentor-renaissance