Wooden Double Gate
Description
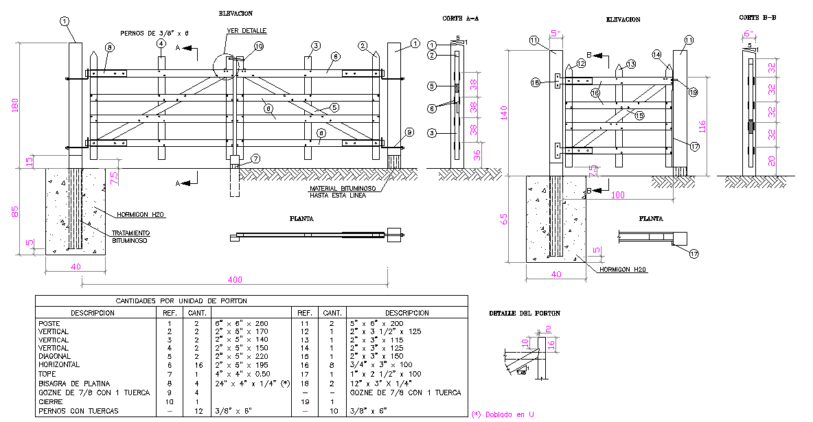
Wooden Double Gate Download file, A gate is an opening in a wall or fence fitted with a moveable barrier allowing it to be closed. Wooden Double Gate Design, Wooden Double Gate Detail.

Uploaded by:
Neha
mishra

Uploaded by:
mishra