Electrical cad drawing details of pump house dwg file
Description
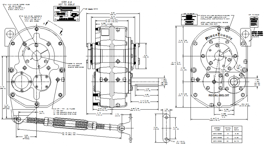
Electrical cad drawing details of pump house that includes a detailed view of assembly number, tapped holes deep located as shown on a 0.500 [266.7] b.c, hex capscrew equally spaced on use exact ratio, attach non-lube shipping envelope with enclosed lubrication and installation instructions to vent, after lube installation, remove tape seal from vent, attach orange lifting warning tag to lifting ring/eye, for vent for magnetic drainage plug for standard pipe plugs and much more of pump house details.

Uploaded by:
Eiz
Luna

