Connection box electrical structure cad drawing details dwg file
Description
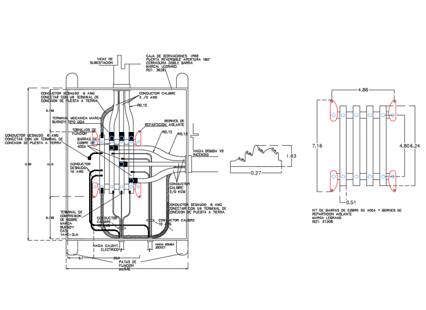
Connection box electrical structure cad drawing details that includes a detailed view of 400a copper bars, kit and insulated distribution terminals, brand legrand, ref: 37308, wall fixing feet, bare driver 6 awg, connect to a grounding connection terminal, copper compression terminal burndy brand, cat: ya4c-2ln, fixing screws and much more of connection box details.
File Type:
DWG
File Size:
108 KB
Category::
Electrical
Sub Category::
Electrical Automation Systems
type:
Gold
Uploaded by:
Eiz
Luna

