Details of spider plan detail dwg file.
Description
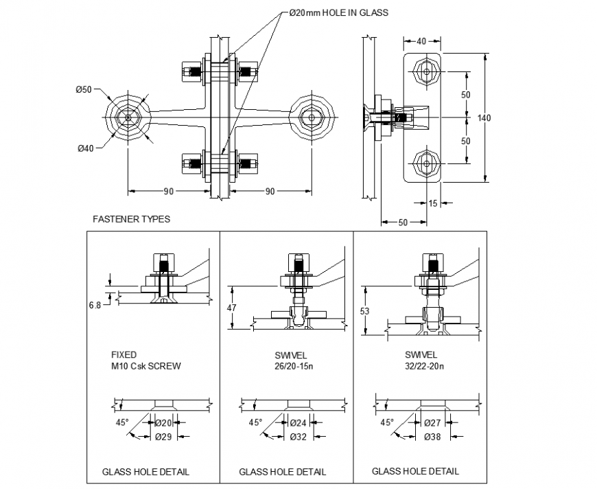
Details of spider plan detail dwg file. The elevation plan with detailing of structure, metal rods, base, building, etc.,
Uploaded by:
Eiz
Luna
Details of spider plan detail dwg file. The elevation plan with detailing of structure, metal rods, base, building, etc.,
Uploaded by:
Luna