Oat Flakes Machine Plant
Description
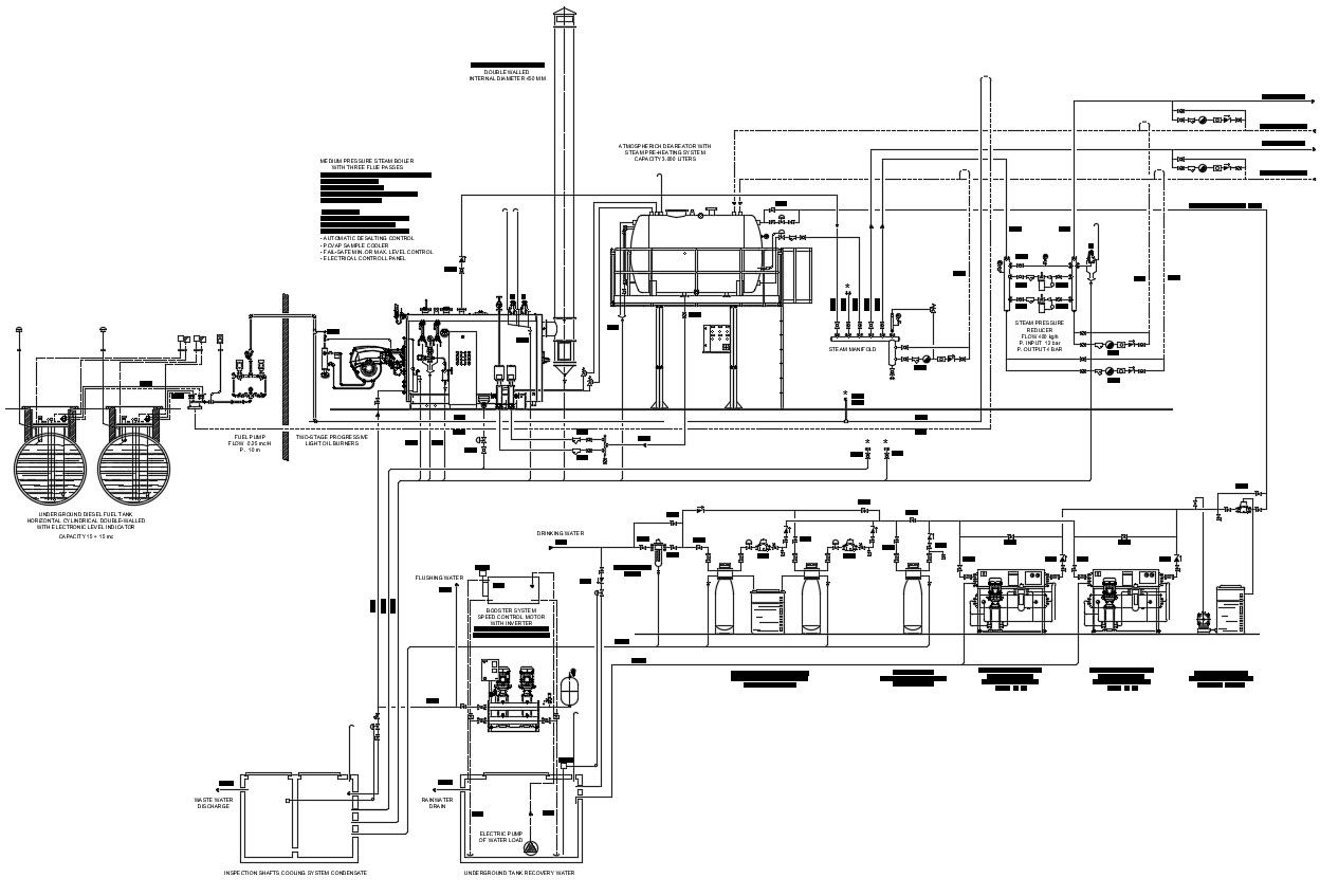
Oat Flakes Machine Plant AutoCAD drawing section plan includes underground diesel fuel tank horizontal cylindrical double-walled with electronic level indicator, medium pressure steam production boiler.
File Type:
DWG
File Size:
10.7 MB
Category::
Mechanical and Machinery
Sub Category::
Factory Machinery
type:
Gold
Uploaded by:

