House Plans With Dimensions In Meters
Description
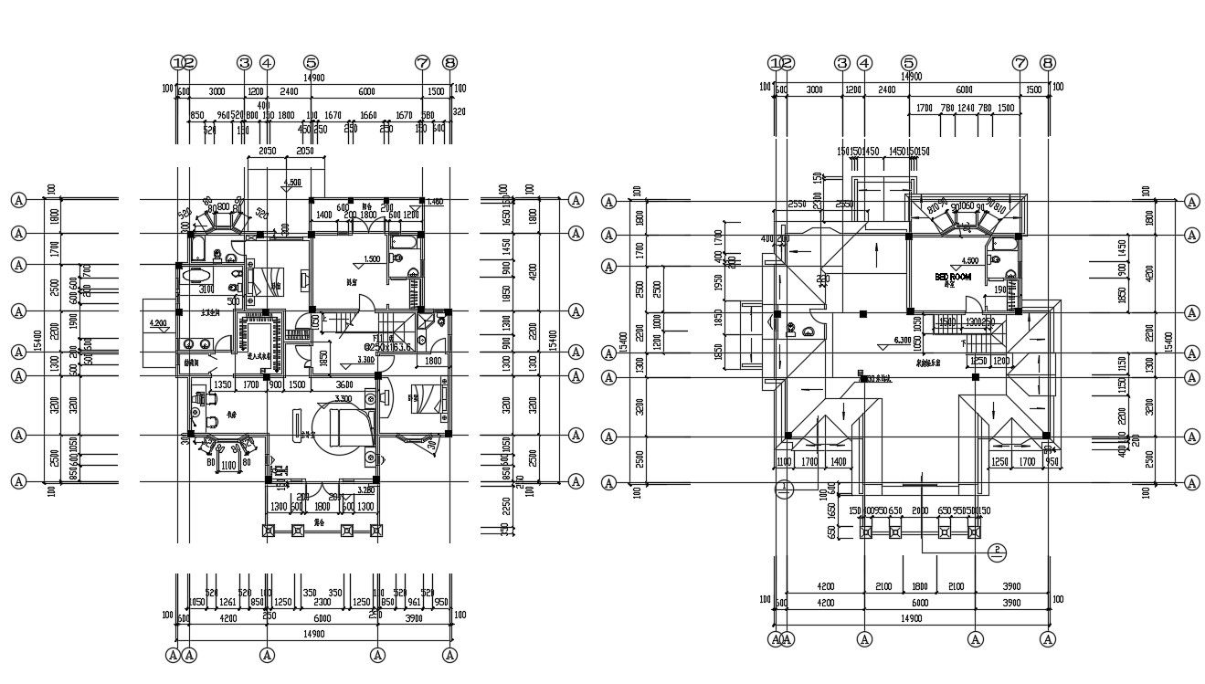
House Plans With Dimensions In Meters DWG File; the architecture house layout floor plan with dimension and furniture details. download AutoCAD file of house plan for collection of fabulous ideas that would serve as a good source.
Uploaded by:

