Bungalow House Design With Working Drawing AutoCAD File
Description
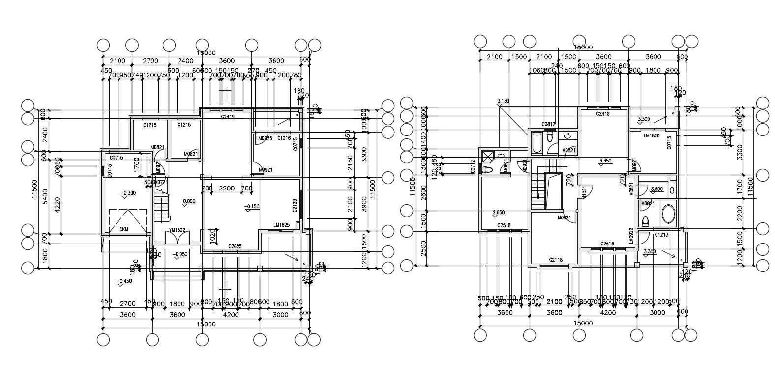
Bungalow House Design With Working Drawing AutoCAD File; this is the floor plans of the bungalow, in this plan shown main porch, drawing room, kitchen, dining, bedroom, also includes first-floor plan, in CAD format.
Uploaded by:
Rashmi
Solanki
