Free Download Commercial Building Design Plans AutoCAD File
Description
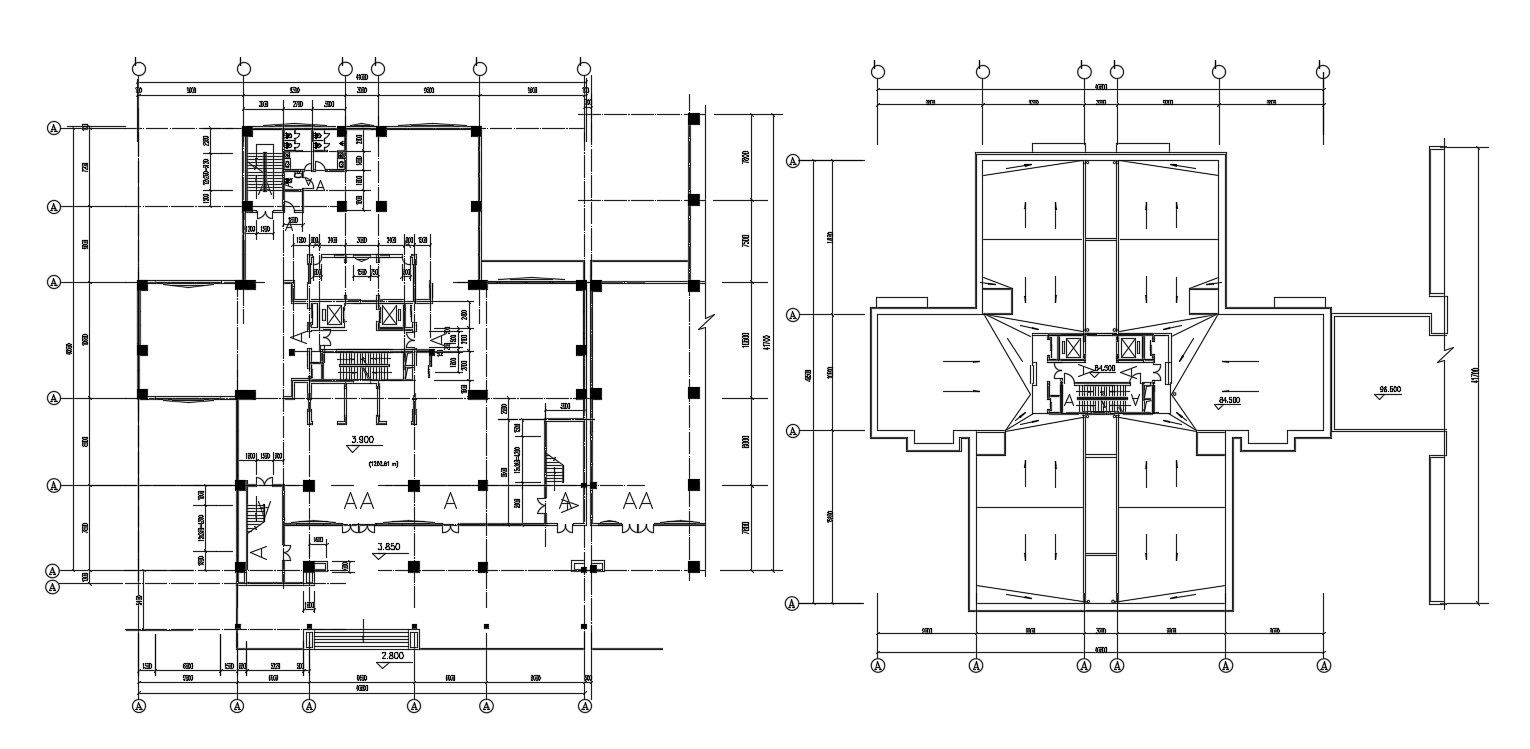
Free Download Commercial Building Design Plans AutoCAD File; this is the commercial building floor plan with Terrance plan includes centerline, working dimension, toilet blocks in DWG format.
Uploaded by:
Rashmi
Solanki

