LOGIN
HOME
CATEGORIES
UPLOAD FILE
PRICING
HOUSE PLAN
ABOUT US
CONTACT US
Electric Room Plan AutoCAD File
Home
Categories
Electrical
Electrical Machine
Electric Room Plan AutoCAD File
Uploaded by:
Rashmi
Solanki
View Profile
View Profile
Description
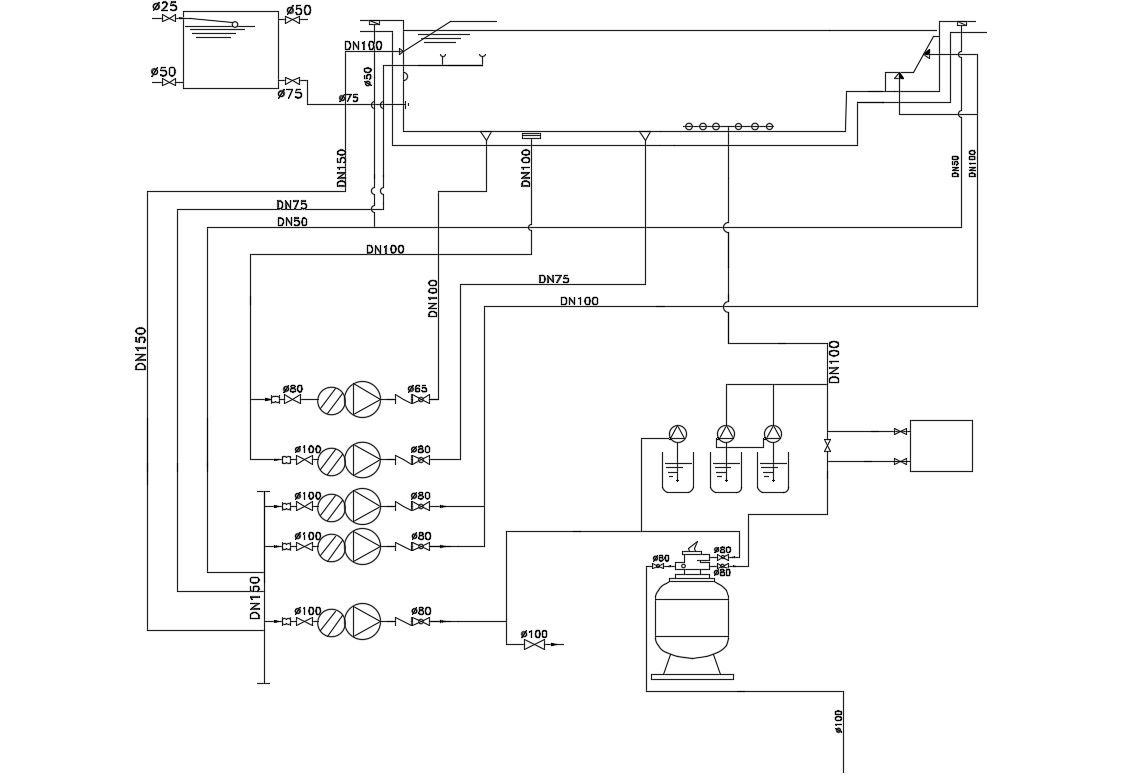
Electric Room Plan AutoCAD File; this is the simple electric room plan with some electric machine includes, in CAD format.
File Type:
DWG
File Size:
38 KB
Category::
Electrical
Sub Category::
Electrical Machine
type:
Free
Uploaded by:
Rashmi
Solanki
View Profile
Download
Add to libary
find Latest
Related
Files