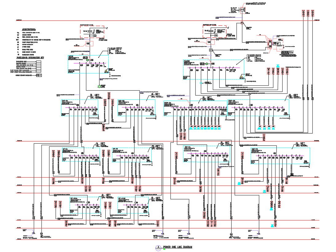
Single Line Diagram of Power System CAD DWG File with Detailed Layout
Description
Access a CAD file featuring the single-line diagram of a power system with all major electrical components and connections. Engineers, designers, and planners can draft, visualize, and implement layouts efficiently. The structured CAD blocks, accurate measurements, and organized design ensure smooth workflow, professional-quality execution, and proper integration of power system components in residential, commercial, and industrial projects.
Uploaded by:
Rashmi
Solanki

