Free Download Structure Design Of Manhole DWG File
Description
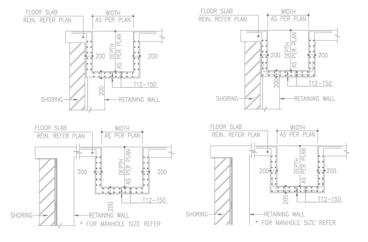
Free Download Structure Design Of Manhole DWG File; this is the detail section of manhole includes retaining wall detail, depth of manhole, the width of the manhole, bars sizes details, shoring wall section, this is the AutoCAD file format,
Uploaded by:
Rashmi
Solanki

