AutoCAD File RCC Water Tank Design With Working Drawing CAD File
Description
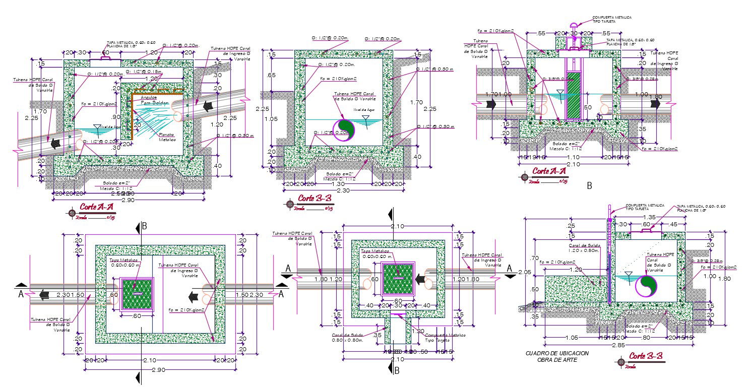
AutoCAD File RCC Water Tank Design With Working Drawing CAD File; this is the details of the water tank with sections, plans and worming drawing details dimension and testing details, both side water pipes fix in RCC, its a CAD file format.
Uploaded by:
Rashmi
Solanki

