Wall Insulation Construction With Drainage Chamber Line CAD Drawing
Description
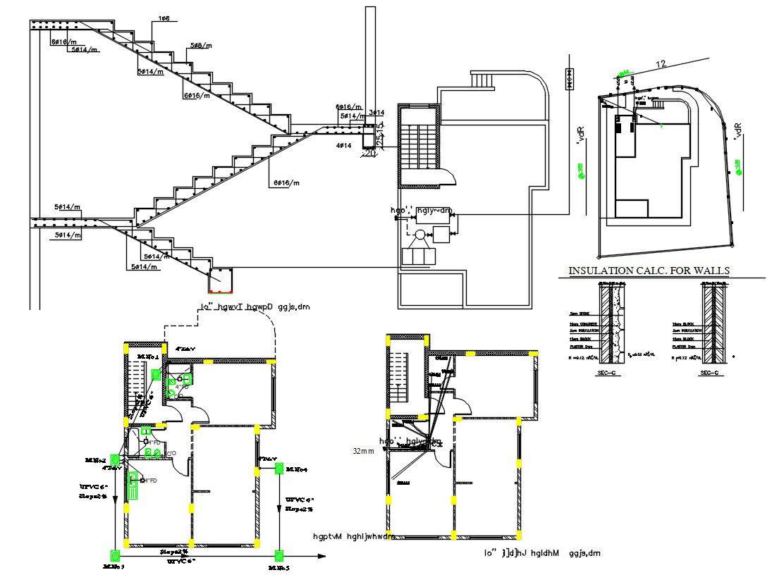
wall insulation constructed with two different walls for single wall purpose with add cavity between them. also has detail about the drainage chamber line connection to chamber box and RCC staircase section drawing. download DWG file of house working plan and get more detail about construction.
File Type:
DWG
File Size:
612 KB
Category::
Construction
Sub Category::
Construction Detail Drawings
type:
Gold
Uploaded by:

