Download Free Power Supply Line Diagram AutoCAD File
Description
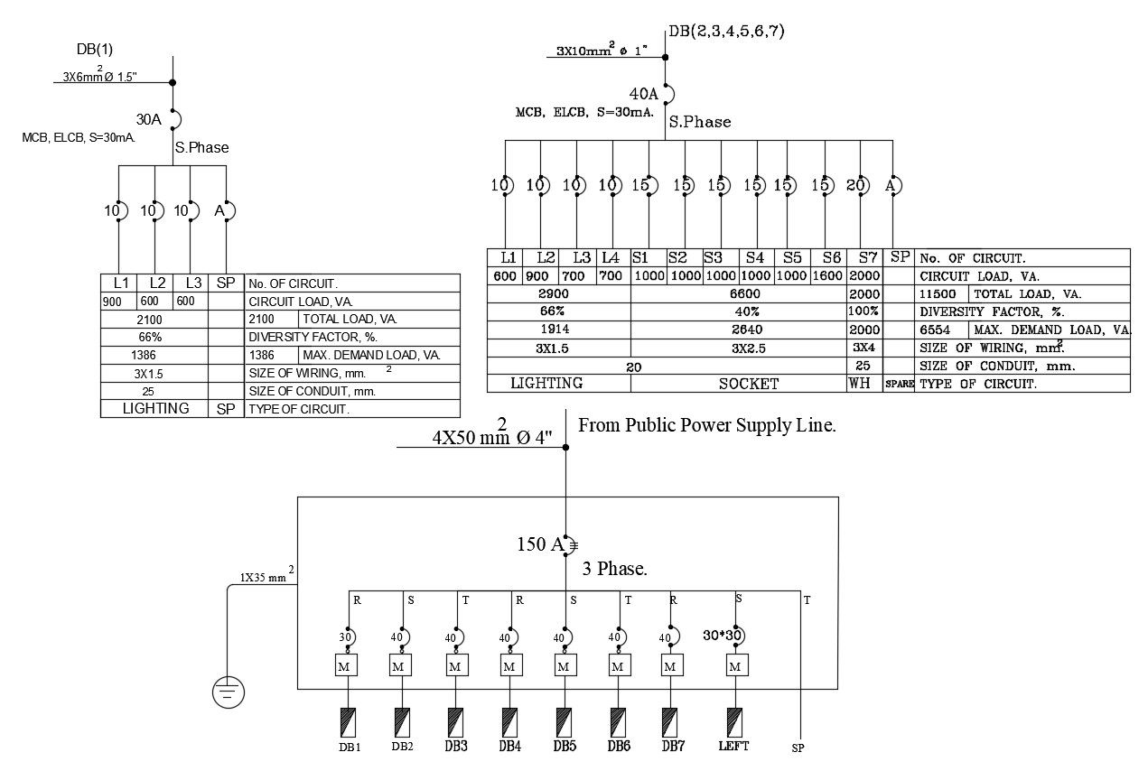
this is the drawing of the electrical distribution board details and meter wiring diagram CAD drawing shows types of circuit, socket, size of wiring and lighting detail download free DWG file of power supply diagram.
Uploaded by:

