LOGIN
HOME
CATEGORIES
UPLOAD FILE
PRICING
HOUSE PLAN
ABOUT US
CONTACT US
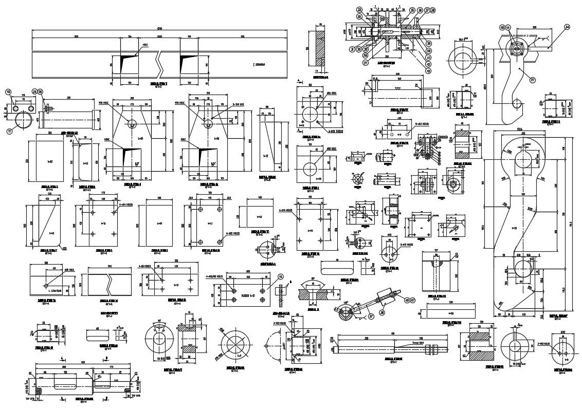
Lifting Draft Tube Gate Extension Drawing
Home
Categories
Architecture
Industrial Plant
Lifting Draft Tube Gate Extension Drawing
Uploaded by:
Komal
View Profile
View Profile
Description
2D CAD drawing of factory equipment lifting draft blocks detail with dimension detail download free DWG file of lifting draft blocks detail.
File Type:
DWG
File Size:
3.5 MB
Category::
Architecture
Sub Category::
Industrial Plant
type:
Free
Uploaded by:
Komal
View Profile
Download
Add to libary
find Latest
Related
Files