Column Foundation Plan With Excavation AutoCAD Drawing
Description
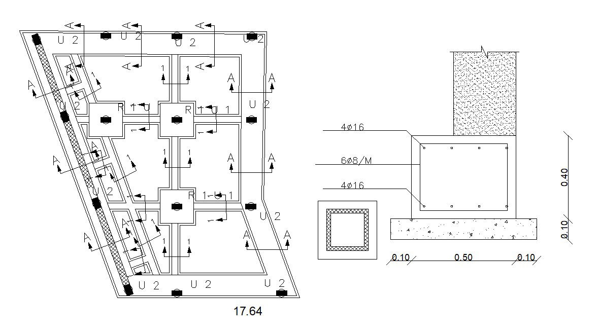
This drawing shows the information regarding construction buildings foundation and column layout plan with excavation detail and RCC structure design. download DWG file of foundation column plan.
Uploaded by:

