Foundation Column With Excavation Plan OF Apartment Project
Description
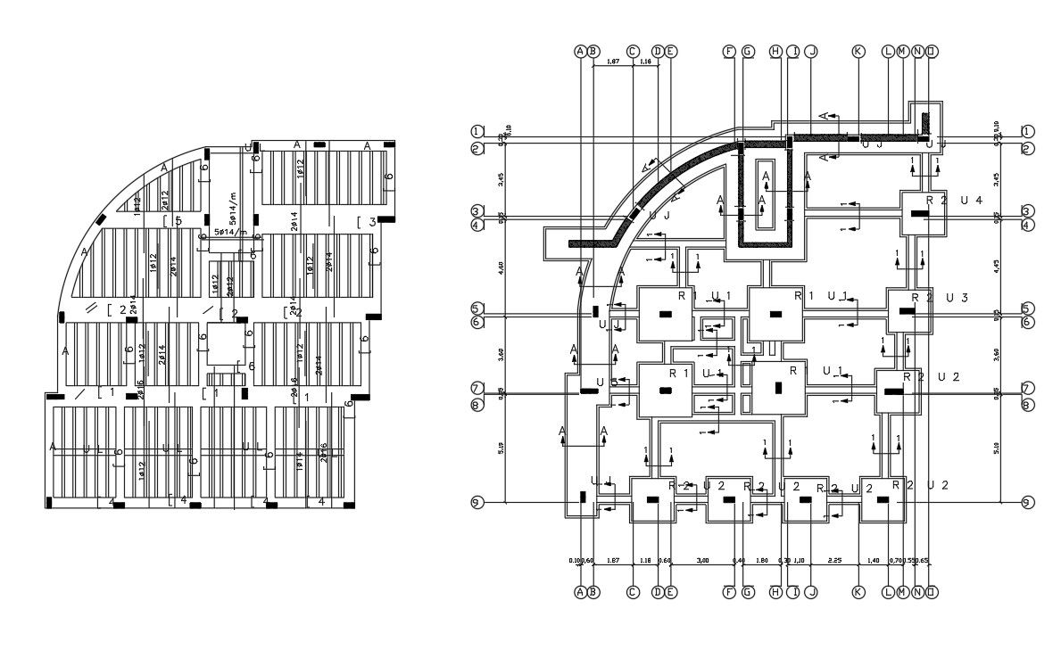
2d CAD drawing of foundation column footing design layout plan with centerline plan and dimension detail. also, hase beam and column marking in reinforcement slab design. Download free DWG file of house working plan CAD drawing.
Uploaded by:

