Structural Column Foundation Design With Slab AutoCAD File
Description
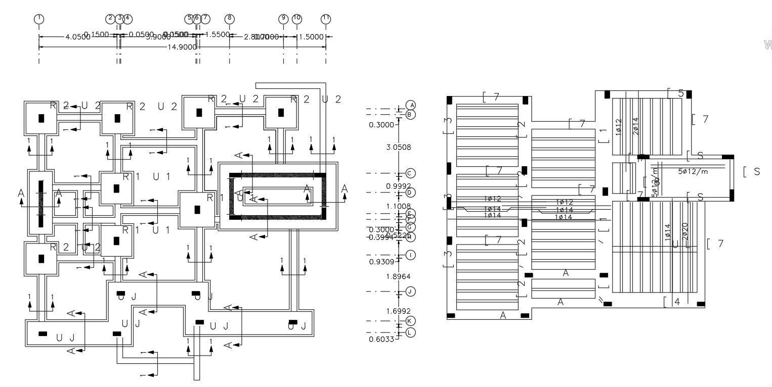
this is the drawing of column footing details with centerline, working dimension, peripheral excavation line in plan, shear wall also added beam and column making in slab with reinforcement details.
Uploaded by:
Rashmi
Solanki

