Structural Column Foundation Drawing Free Download
Description
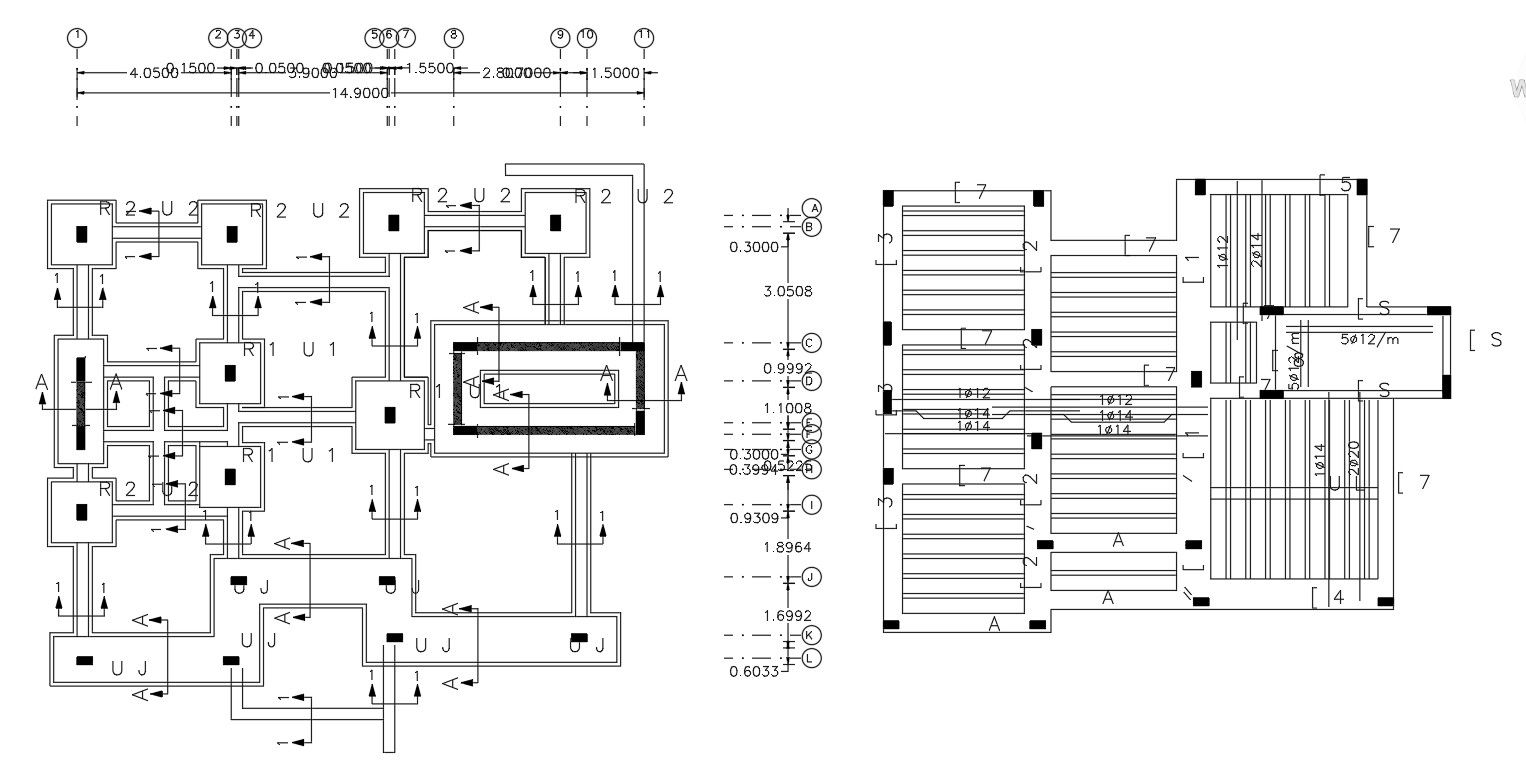
residential building column footing design with centerline plan, dimension details, excavation line out details, slab reinforcement bars details, beam and column marking n this drawing. free download this drawing and use it in related projects.
Uploaded by:
Rashmi
Solanki

