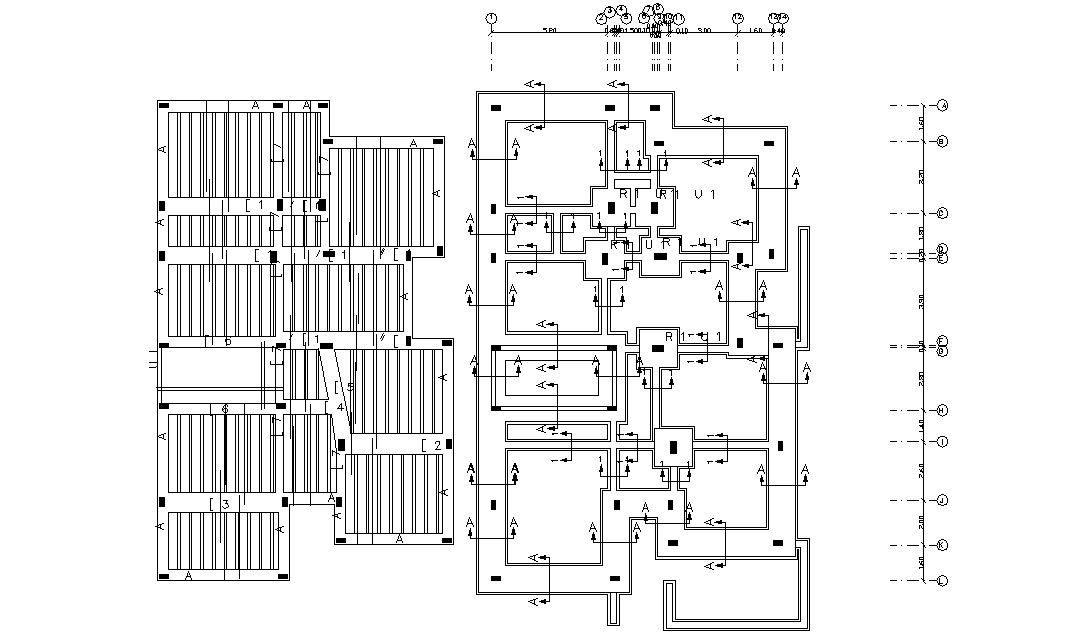
Column Foundation Design With Slab Structural Drawing
Description
structural drawing of column foundation details with peripheral excavation line, section line on plan, centerline with working dimension details.beam and column marking in slab plan, reinforcement calculation and other more details in it.
Uploaded by:
Rashmi
Solanki

