Small House Building Design With Working Drawing AutoCAD File
Description
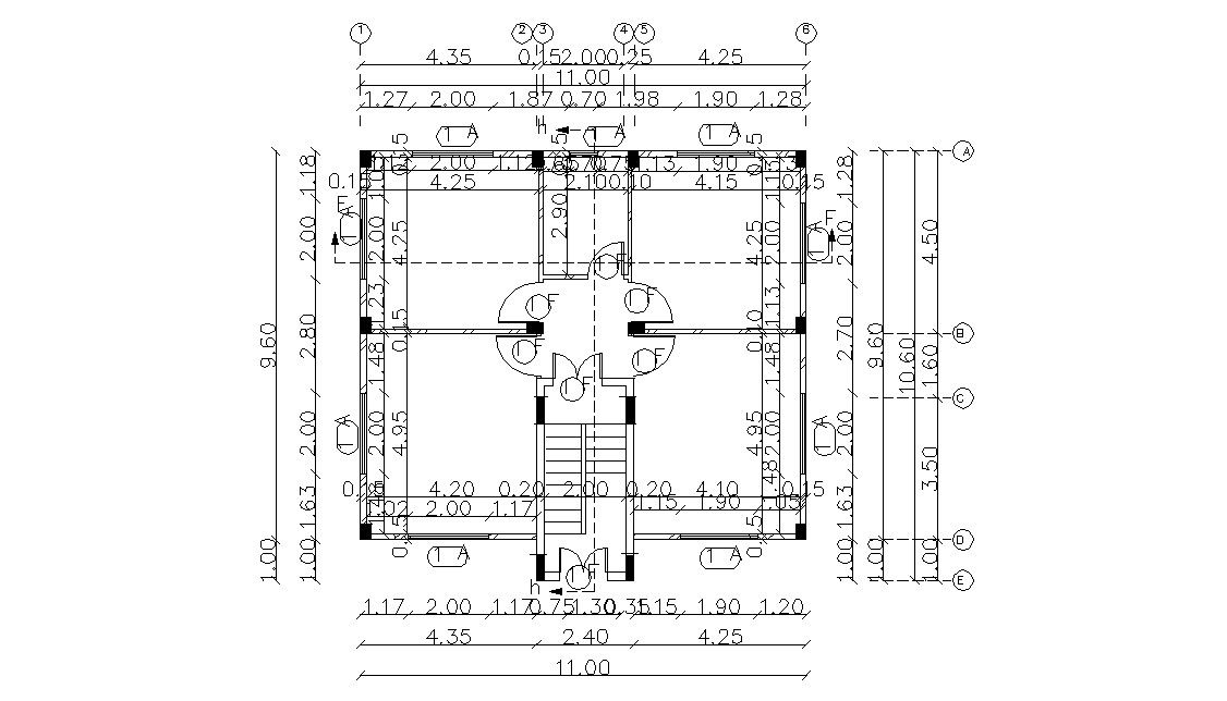
download this drawing which is related to architectural huge bungalow design with working drawing dimension details,structural column layout marking,doors and windows details in plan,this is the small simple house design.download AutoCAD file.
Uploaded by:
Rashmi
Solanki

