Shop Electrical Layout Plan With Diagram
Description
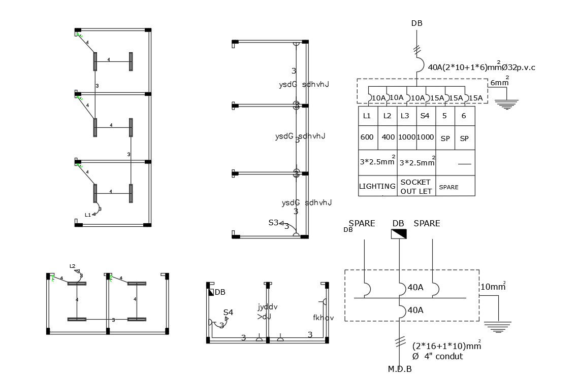
Shop electrical layout plan and diagram connection flow that shos how to connect all switchboard in power supply table, volt table design, wireline with voltage and socket-outlet table calculation in AutoCAD drawing. download free DWG file of commercial shop electrical layout plan design.
Uploaded by:

