2 BHK House Plumbing Plan Design DWG File
Description
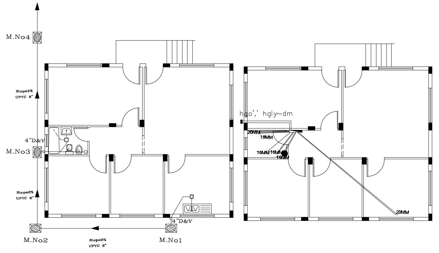
AutoCAD house plumbing layout plan design CAD drawing that shows water pipeline and water closet drainage line plan that connects to one by one chamber box and after it gets attached to street manhole. download DWG file of house plumbing layout plan design.
Uploaded by:
