26' X 48' House House plumbing And Electrical Plan Design
Description
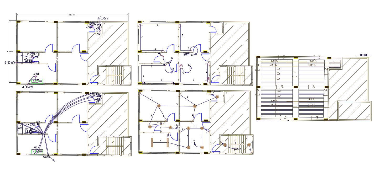
26 by 48 feet residence house 2 BHK flooe plan CAD drawing includes plumbing layout plan and electrical layout plan design with column and slab bar structure design. download AutoCAD file of 2 bedroom house plan design.
Uploaded by:

