52' X 44' House Floor With Center Line Plan DWG File
Description
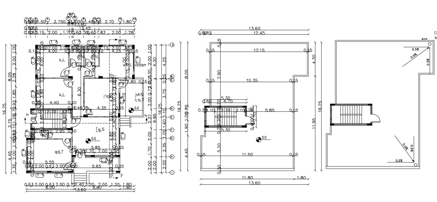
52 by 44 feet plot size for architecture residence house ground floor plan and terrace plan design that shows the column layout and centre line plan. download 3 BHK residence house plan design DWG file.
Uploaded by:

