AutoCAD House Plumbing Plan DWG File for Accurate CAD Layout
Description
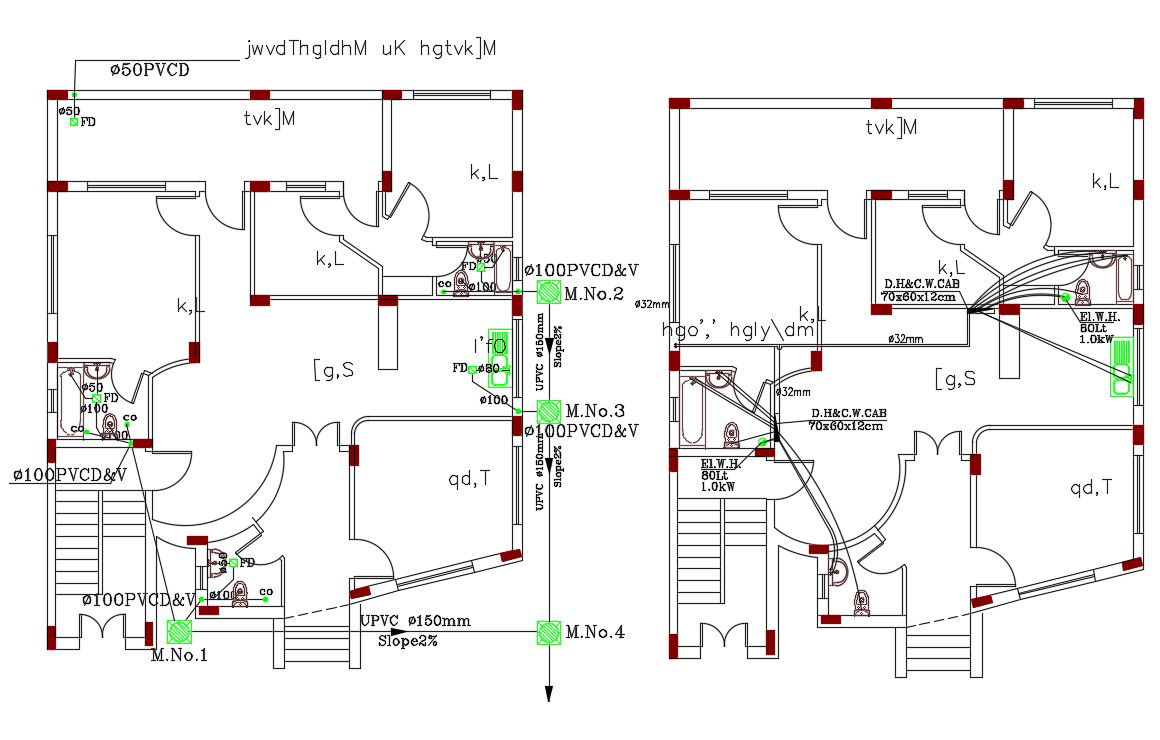
DWG AutoCAD file of house plumbing with pipe routes, fixtures, and connections for precise CAD drawing. Ideal for architects, engineers, and designers to plan efficient water supply and drainage systems in residential buildings.
Uploaded by:

