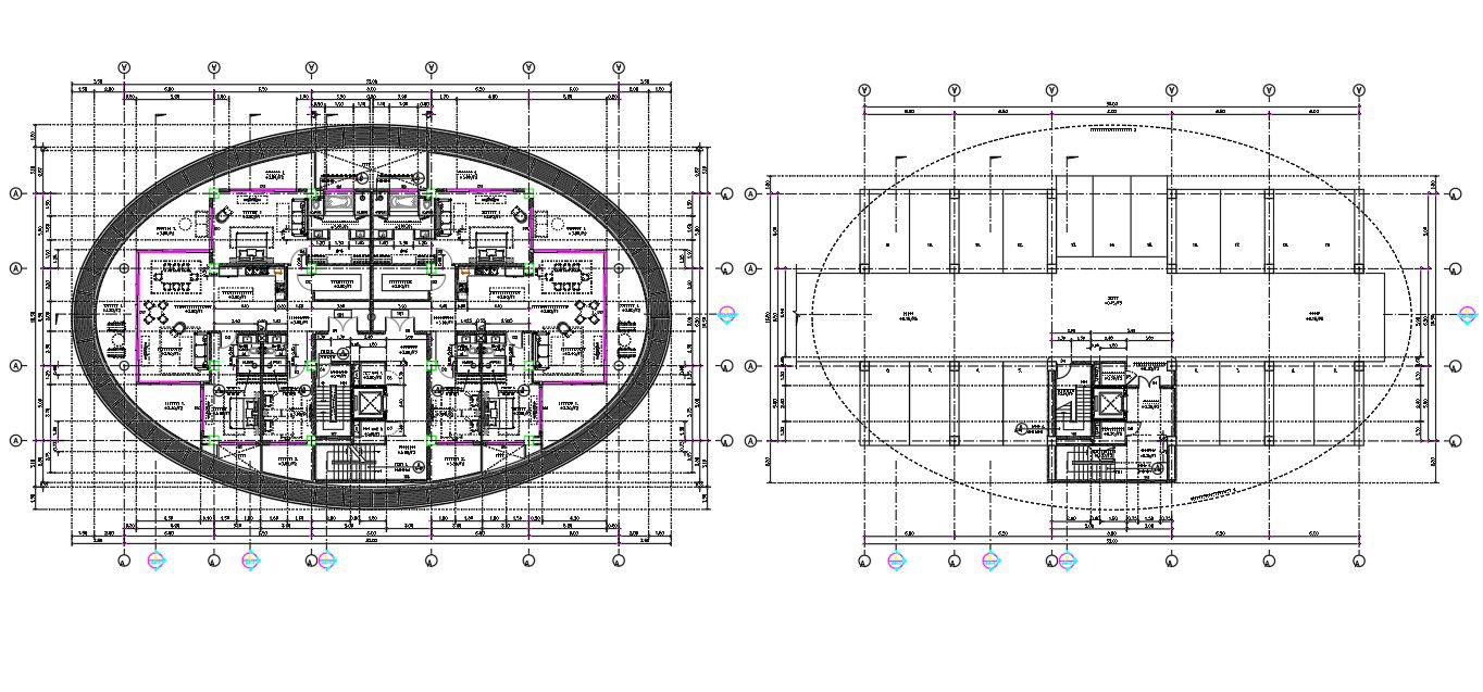
3 BHK Apartment Plan With Center Line CAD Drawing DWG File
Description
The architecture AutoCAD drawing of typical apartment layout plan which consist 3 bedrooms With an attached toilet, modular kitchen, dining area, drawing room and store room with all furniture arrangement plan drawing. the additional drawing such as center line plan and all dimension detail. download 3 BHK apartment house plan DWG file.
Uploaded by:

